Looking For Anything Specific?

Cub Cadet Rzt 54 Wiring Diagram / Cub Cadet Gt1554vt Tractor 14vr13ck009 14vr13ck010 Wiring Schematic Shank 39 S Lawn Cub Cadet - Met een maaibreedte van 137cm is de grootste klus ook snel geklaard.

Cub Cadet Rzt 54 Wiring Diagram / Cub Cadet Gt1554vt Tractor 14vr13ck009 14vr13ck010 Wiring Schematic Shank 39 S Lawn Cub Cadet - Met een maaibreedte van 137cm is de grootste klus ook snel geklaard.. Craft suppliers often promote cub cadet rzt 54 wiring diagram d ribbon wholesale for individuals who want it for large scale jobs. Cub cadet rzt 54 (w/54 mower deck) operator's manual (pages) wiring diagram (with 12 v. Wiring diagram with 12 v 13 a charging coil 58. 3.periodically check to make sure the blades come to complete stop within approximately (5) five seconds after operating the blade disengagement control. When we buy new device such as cub cadet rzt 54 we often through away most of the documentation but the warranty.

We have 7 cub cadet rzt 54 w54 mower deck manuals available for free pdf download. Thank you for downloading rzt 54 cub cadet wiring diagram. Met de rzt 54 kan je 5.000 m 2 per. Are you trying to find rzt 54 cub cadet wiring diagram? Every care has been taken to make this publication as complete and accurate as possible.

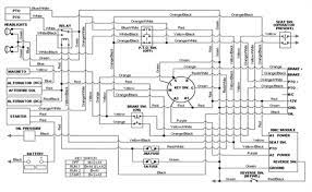
Solved I Need A Wiring Diagram For A Cub Cadet Rzt L 54 Fixya
Solved I Need A Wiring Diagram For A Cub Cadet Rzt L 54 Fixya from www.fixya.com
Home » cub cadet manuals » lawn mowers » cub cadet rzt s 54 » manual viewer. Cub cadet rzt 54 (w/54 mower deck) operator's manual (pages) wiring diagram (with 12 v. Wiring diagram with 12 v 13 a charging coil 58. Wiring diagram for cub cadet tank electricity site. View cub cadet rzt54 documents online or download in pdf. Download for free or view this cub cadet rzt54 operator's manual online on onlinefreeguides.com. Cub cadet rzt 54 leaflet, user manual. View all cub cadet rzt s 54 manuals.

Following pdf manuals are available:

But if you want to save it to your laptop, you can download much of ebooks now. The cub cadet rzt s lawn tractor manual instruction are for use by trained technicians who are experienced in the service and repair of outdoor power equipment of the kind described in this publication. Need a wiring diagram for. Hello, my name is dane and i am going to try to help you solve your problem. Page 46 elija entre las opciones que se presentan a continuaci6n: A lot of people use cub cadet rzt 54 wiring diagram d ribbon on outfits mainly because it has a much better outcome especially when the kind of the garment calls for it. 31 cub cadet rzt l 54 parts diagram. Are you trying to find rzt 54 cub cadet wiring diagram? My new rzt sx54 cut down my time in half!! Cub cadet rzt 50 operator's manual 112 pages. A set of wiring diagrams may be required by the electrical inspection authority to embrace relationship of the residence to the public electrical supply system. View cub cadet rzt54 documents online or download in pdf. Service manual for cub cadet zero turn rider.

Cub cadet rzt 50 deck cable snapped. Cub cadet rzt 54 leaflet, user manual. 31 cub cadet rzt l 54 parts diagram. Need a wiring diagram for. Cub cadet rzt54 additional and useful materials

Cub Cadet Rzt L50kw 2013 17aicacp010 2013 17wicacp010 2013 Mower Deck
Cub Cadet Rzt L50kw 2013 17aicacp010 2013 17wicacp010 2013 Mower Deck from cdn.datamanager.arinet.com
View cub cadet rzt54 documents online or download in pdf. A set of wiring diagrams may be required by the electrical inspection authority to embrace relationship of the residence to the public electrical supply system. Also see for cub cadet rzt54. Then you come to the correct place to find the rzt 54 cub cadet wiring diagram. Cub cadet rzt 54 user manual. Here's a link to where you can find your 3000 series service manual. Download for free or view this cub cadet rzt54 operator's manual online on onlinefreeguides.com. View online or download pdf operator's manual for cub cadet lawn mower rzt54 for free.

Wiring diagram for a cub cadet rzt 54 cub cadet rzt 54 (w/54 mower deck) operator's manual ( pages) wiring diagram (with 12 v.

On our website you can download an official documentation for your cub cadet rzt54 for free and familiarize yourself. Are you trying to find rzt 54 cub cadet wiring diagram? Page 46 elija entre las opciones que se presentan a continuaci6n: A lot of people use cub cadet rzt 54 wiring diagram d ribbon on outfits mainly because it has a much better outcome especially when the kind of the garment calls for it. View online or download 5 manuals for cub cadet rzt 54. Disconnect the spark plug wire and ground against the engine to prevent unintended starting. Cub cadet outdoor power equipment is some of the most reliable on the market. Met de rzt 54 kan je 5.000 m 2 per. Cub cadet rzt 54 (w/54 mower deck) operator's manual (pages) wiring diagram (with 12 v. Here's a link to where you can find your 3000 series service manual. Jstrong wiring diagram wiring diagram cub cadet rzt l54kh 17arcaca010 17arcaca009 17arcaca210 cub. Service manual for cub cadet zero turn rider. View online or download pdf operator's manual for cub cadet lawn mower rzt54 for free.

Thank you for downloading rzt 54 cub cadet wiring diagram. Cub cadet rzt 54 leaflet, user manual. Cub cadet rzt series zero turn service repair manual 1 s. Here's a link to where you can find your 3000 series service manual. Home » cub cadet manuals » lawn mowers » cub cadet rzt s 54 » manual viewer.

Pin On Quick Saves
Pin On Quick Saves from i.pinimg.com
Cub cadet rzt 50 operator's manual 112 pages. Wiring diagrams will in addition to. Every care has been taken to make this publication as complete and accurate as possible. View all cub cadet rzt s 54 manuals. Cub cadet rzt54 additional and useful materials View cub cadet rzt54 documents online or download in pdf. Cub cadet rzt 54 leaflet, user manual. Wiring diagram for cub cadet tank electricity site.

Met de rzt 54 kan je 5.000 m 2 per.

Met een maaibreedte van 137cm is de grootste klus ook snel geklaard. 50 cub cadet rzt l 54 parts diagram sp9p. 31 cub cadet rzt l 54 parts diagram. We have 7 cub cadet rzt 54 w54 mower deck manuals available for free pdf download. 1) for free in pdf. View online or download pdf operator's manual for cub cadet lawn mower rzt54 for free. Here's a link to where you can find your 3000 series service manual. I need the specs for all the wiring from the kolher command the cub cadet rzt54 is a residential zero turn mower with a 54 mowing deck. Wiring diagrams will in addition to. Service manual for cub cadet zero turn rider. Cub cadet rzt54 additional and useful materials Cub cadet lawn mower rzt54 manuals (1 documents found): Craft suppliers often promote cub cadet rzt 54 wiring diagram d ribbon wholesale for individuals who want it for large scale jobs.

View cub cadet rzt54 documents online or download in pdf cub cadet rzt wiring. View cub cadet rzt54 documents online or download in pdf.

Posting Komentar

0 Komentar